技術情報
部材
主用部材
多数アンカー式補強土壁工法に使用する標準部材について紹介します。
各部材のCADデータについては、i部品Getからダウンロードしていただけます。
その他部材のCADデータやBIM/CIMについては、直接協会にお問い合わせください。
取り付け詳細
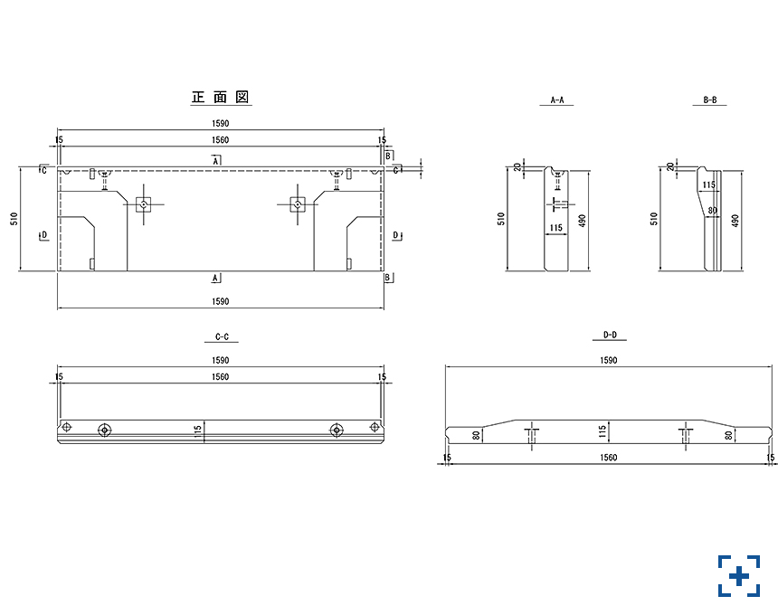
コンクリート製壁面材
TA
DA
UA
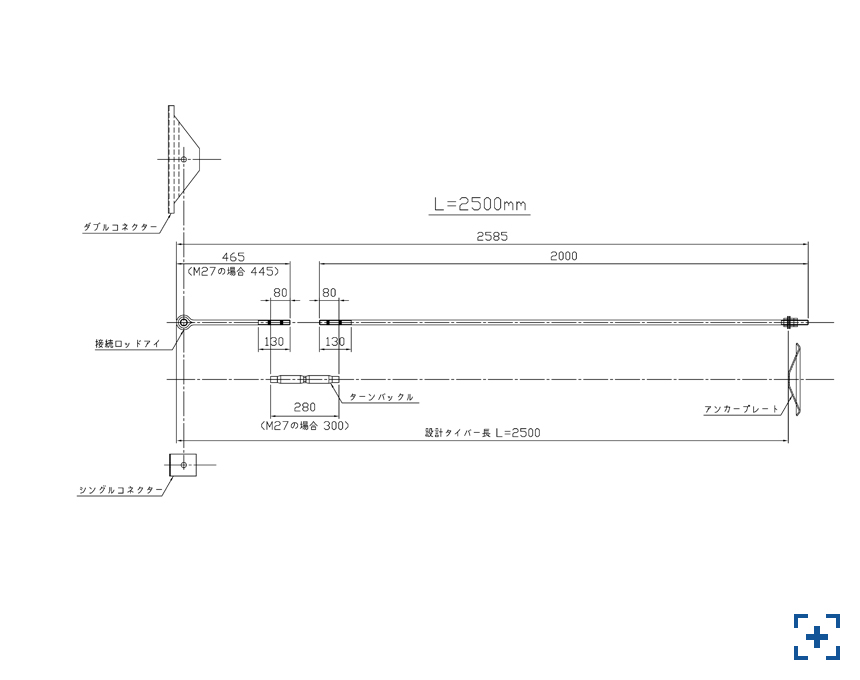
タイバー
アンカープレート
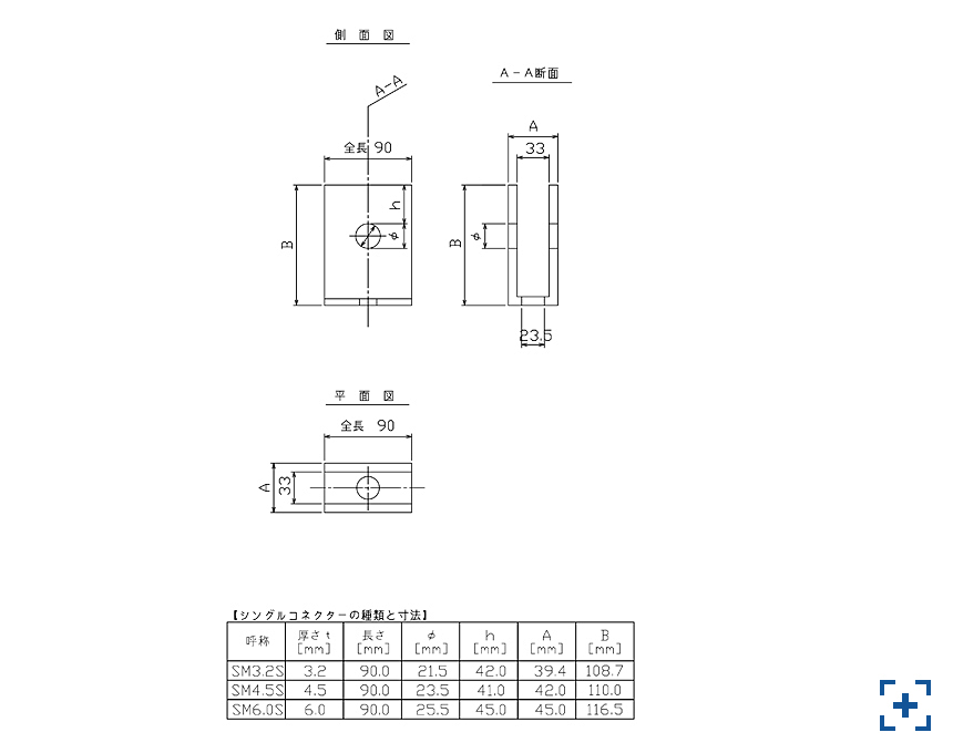
シングルコネクター
ダブルコネクター
部材規格
| 部材名称 | 素材規格 | 規格コード等 | |
|---|---|---|---|
| 1.タイバー | 1.接続ロッドアイ | JIS G 3138 | SNR490B |
| 建築構造用圧延棒鋼 | 溶融亜鉛めっき JIS H 8641 HDZT77 | ||
| 2.ターンバックル | JIS A 5541 | STKN400B・STKN400W | |
| 引用規格 JIS G 3475 | STKN490B | ||
| 建築構造用圧延棒鋼 | 溶融亜鉛めっき JIS H 8641 HDZT77 | ||
| 3.ロッド(丸鋼) | JIS G 3138 | SNR490B | |
| 建築構造用圧延棒鋼 | 溶融亜鉛めっき JIS H 8641 HDZT77 | ||
| 2.メインプレート・サブプレート | JIS G 3101 | SS400 | |
| 一般構造用圧延鋼材 | 溶融亜鉛めっき JIS H 8641 HDZT77 | ||
| 3.コネクター | JIS G 3106 | SM490 | |
| 溶接構造用圧延鋼材 | 溶融亜鉛めっき JIS H 8641 HDZT77 | ||
| 4.ボルト・ナット | JIS B 1180 附属書JA | 仕上げ程度:中・公差域クラス:6g | |
| 六角ボルト | 溶融亜鉛めっき JIS H 8641 HDZT77 | ||
| JIS B 1181 附属書JA | 仕上げ程度:並・公差域クラス:7H | ||
| 六角ボルト | 溶融亜鉛めっき JIS H 8641 HDZT77 | ||
| 6.透水防砂材 | ポリエステル製不織布 | ||
| 7.横目地材 | ポリスチレン発泡再生材 | ||
| 8.縦目地材 | ポリエチレン発泡材 | ||
| 9.コンクリート製壁面材 | 設計基準強度 fck=40N/㎟以上の鉄筋コンクリート | ||










